page top

Home > Creation > Electric
電気物を製作
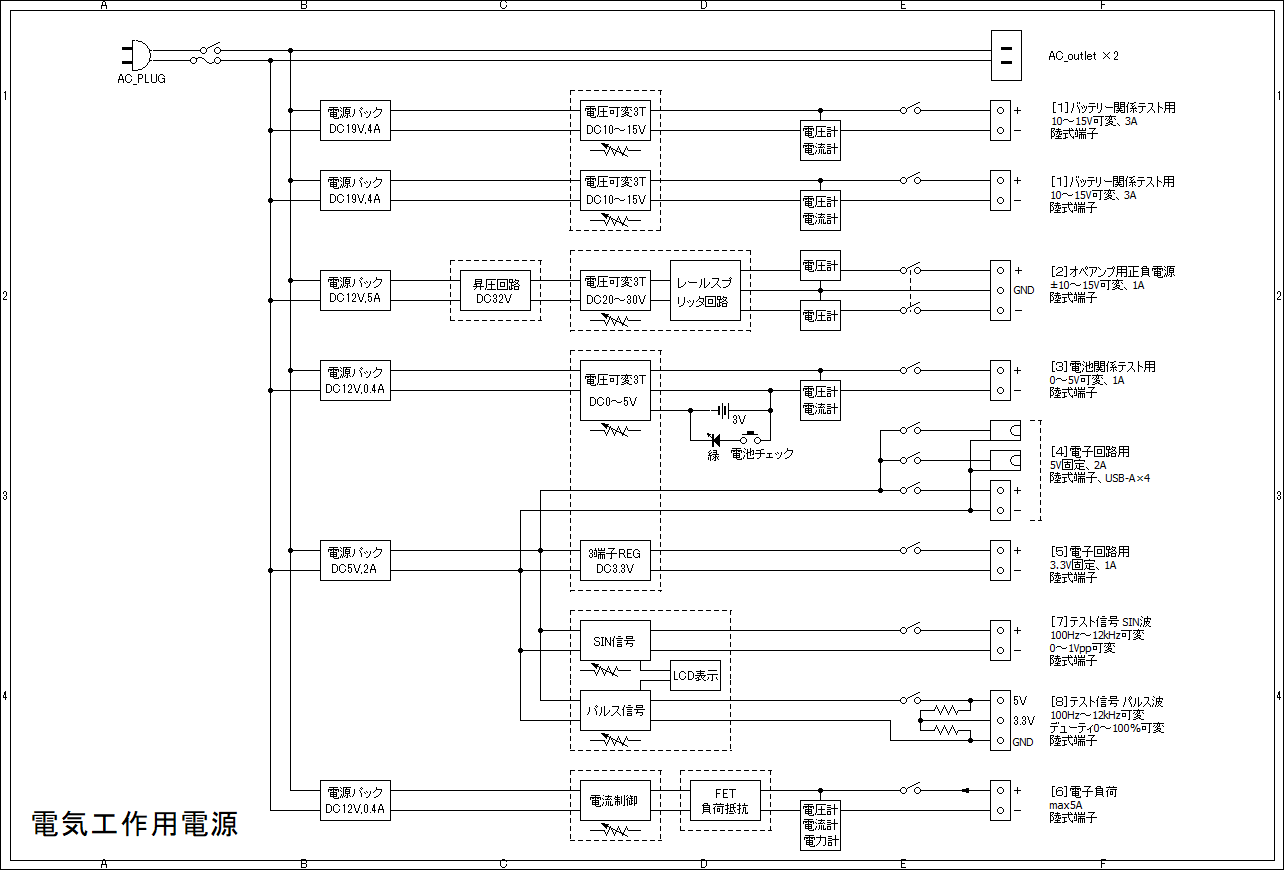
 電気工作用電源
●パネル面。電気工作で使う電源系ツールを9種類詰め込んだものを製作した。 回路図1234567
電気工作用電源
●内部前側。小さなLCD表示器を中に組み込み、透明アクリル越しにsin波周波数とパルス周波数を読み取れる。
電気工作用電源
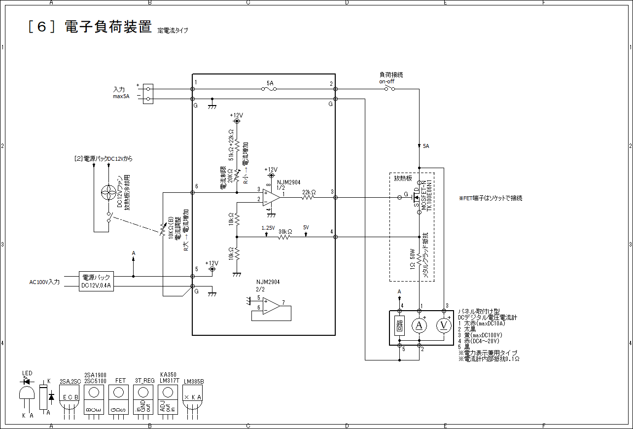
●内部後側。電子負荷[6]の発熱が激しいので冷却で苦労した。
電気工作用電源




 屋根裏換気扇
●屋根裏に溜まった熱気を屋外排出する換気扇を設置。劇的な効果はないが、夏場の2F室内温度は4~5℃下がるようだ。
屋根裏換気扇
●サンダーにダイヤモンドカッターを付けて、外壁を切り抜いた。雨避けフードを付けて、コーキングで防水処理した。
屋根裏換気扇
●温度スイッチで自動on-off動作にした。
屋根裏換気扇
●2F廊下に天井換気扇を設置。この天井換気扇も連動させて、室内 → 屋根裏 → 屋外へと空気の流れを作った。
屋根裏換気扇




 サーキュレーター外部電源化改造
●車中泊の暑さ対策用で製作した。家庭用AC100Vサーキュレーター(DCモータータイプ)をバッテリーで動かす。
サーキュレーター外部電源化改造
●サーキュレーター内部。電源回路出力はDC24Vだったので、切換えで外部からDC24Vを供給できるよう改造した。
サーキュレーター外部電源化改造
●DC12V → DC24Vの外部電源ユニット。サーキュレーターは低消費電力で、風量があって具合良い。 回路図
サーキュレーター外部電源化改造




 ベッドサイドランプ
●夜中にちょっと明かりが欲しい時、声や拍手音で点灯/消灯できるランプを製作した。すこぶる便利。 回路図
ベッドサイドランプ




 玄関チャイムレピーター
●玄関チャイム音(白い子機が鳴る)が裏庭にも伝わるよう、音声中継器を製作した。ついでにラジオも流しましょう。
玄関チャイムレピーター
●黒箱の中身はマイクアンプ、パワーアンプ、AC電源。マイクで音を拾い、裏庭のスピーカーを鳴らす。 回路図
玄関チャイムレピーター




 三本ローラーカウンター
●体力維持のためMTBで三本ローラー上を走っている。そこで走行距離や経過時間等を表示するものを製作した。
三本ローラーカウンター
●基盤の裏面。ごちゃごちゃした配線を楽しむのも趣味のうち。 回路図
三本ローラーカウンター




 電動歯ブラシバッテリーレス化改造
●約3年使用にて、寒い朝は途中で止まってしまう。内蔵電池(交換不可)が寿命なので外部電源化して解決した。 回路図
電動歯ブラシバッテリーレス化改造




 電話子機バッテリーレス化改造
●子機バッテリーは1.5~2年で不良になる。移動使用しないので電源を組込み、4台全てバッテリーレスにした。 回路図
電話子機バッテリーレス化改造
電話子機バッテリーレス化改造
電話子機バッテリーレス化改造




 自動散水タイマー
●夏場は家を留守にすると植木鉢の水切れが心配。ということでタイマーで自動散水するものを製作した。 回路図
自動散水タイマー




 車中泊用ランタン
●車中泊で使う便利アイテムを製作。車内で寛ぐ時は床から上向けて天井をほんのり照らす間接照明が最適。 回路図
車中泊用ランタン




 自動車換気ファン
●車中泊で使う便利アイテムを製作。モバイルバッテリーを電源にして、窓に付けた12cmファンで車内を換気する。
自動車換気ファン
●モバイルバッテリーとファンの間に入れる調節器。ファン回転速度調節/お休みタイマー/低電圧保護。 回路図
自動車換気ファン




 SR400後方センサー
●後方車の幅寄せ追い越しを検知してハンドルのLEDが点滅するものを製作。不意に来ると心臓に悪いので。 回路図
SR400後方センサー




 人感ライト
●暗い時に人が近づくとナツメランプon。市販品は人が静止すると勝手に消えて困るのでこれを作った。 回路図
人感ライト




 電子ピアノ
●音程確認用のツールを製作。音が出る電気物を製作する時にこれで作曲してからプログラムに落とし込む。 回路図
電子ピアノ




 熊センサー
●テントの上にセンサーを置いておき、熊が近づいたら方向を表示し追っ払いの威嚇音と光を出してくれる。 回路図
熊センサー




 SR400フラッシャーブザー追加[1号~3号]
●[1号]フラッシャー消し忘れのバイクを時々見かける。点灯中はブザーを鳴らしてポカミス予防した。 配線図
SR400フラッシャーブザー追加


●[2号]ブザーのピー音が長すぎるのでフラッシャーランプ点灯の頭だけ短く鳴らすピッ音回路を追加した。 配線図
SR400フラッシャーブザー追加


●[3号]ブザーだけでは不十分なので爆明LEDランプを追加した。ついでにバッテリー電圧チェック機能も追加。 配線図
SR400フラッシャーブザー追加
SR400フラッシャーブザー追加




 天婦羅タイマー
●経過分数を光と音で知らせてくれるタイマーを作った。6分で繰り返し、途中でスイッチを押すと最初から。 回路図
天婦羅タイマー写真




 扇風機オートスイッチ
●室内の湿度Hと温度Tから不快指数Dを求めて扇風機を自動でon/offするものを作った。就寝中に役立つと期待。 回路図
扇風機オートスイッチ写真




 消費電力量カウンタ
●家電の消費電力量を調べてみたくなり製作。電圧、電流、電力、電力量・・・軽く考えていたが奥が深い。 回路図
消費電力量カウンタ




 デッドマンアラーム[1号~2号]
●[1号]自動車運転中、眠くなりそうな時に使う。3分毎に確認音が出て2秒以内に応答しなければアラームが鳴る。
デッドマンアラーム
●スイッチ金属部分タッチで応答。動作は単純なタイマーだが正弦波三和音を出すのに手こずった。 回路図
デッドマンアラーム


●[2号]手をかざして操作するように作り直した。車内の置く場所に制限がありケースを箱型に変えた。 回路図
デッドマンアラーム写真




 ACコンセント用タイマー[1号~2号]
●[1号]3hだけ低温調理したいとの要望で製作。設定時間経過するとAC出力offになる。 回路図
ACコンセント用タイマー写真


●[2号]炊飯器を使うと内蔵ヒューズ5Aが切れるのでトライアックを大容量品に変更して15A対応にした。 回路図
ACコンセント用タイマー写真




 テレビ画面静止リモコン[1号~3号]
●[1号]テレビ画面を静止させたい時、テレビリモコンが使いにくい。静止キーだけのリモコンを製作した。 回路図
テレビリモコン写真


●[2号]静止リモコンのスイッチを押すのがもどかしいので音(拍手や声)で動作するように作り直した。 回路図
テレビリモコン写真


●[3号]テレビリモコンをテレビ受光部へ向けるのが手間なので1号を改造してマイリモコンを製作した。 回路図
テレビリモコン写真




 草刈機モーター回転数安定化
●雑草の具合によってモーター回転数の変動が大きく使い勝手が悪いので一定回転数を保つように電気回路を追加した。
草刈機モーター回転数安定化写真


●設定回転数と実回転数の差が一定範囲内に収まるようモーターへの供給電力を自動制御してくれる。 回路図
草刈機モーター回転数安定化写真




 宴会タイマー[1号~3号]
●[1号]1時間か2時間を選んでスタート。時間がきたらピーピー鳴ってお開きを知らせてくれる。 回路図
宴会タイマー写真


●[2号]操作性を改善した2号を製作。機能に変更なく、操作をトグルスイッチで1時間-off-2時間切換にした。 回路図
宴会タイマー写真


●[3号]お開きのピーピー音を聞き逃す事があるので音量アップした3号を製作した。 回路図
宴会タイマー写真




 サブバッテリー充電器[1号~4号]
●[1号]車中泊用に自動車シガーソケットからサブバッテリ―へ充電するものを製作。デジタル表示器はおまけ。 回路図
サブバッテリー充電器写真


●[2号]車中泊で扇風機をつけたまま寝落ちしてもよいようにタイマー機能と電源電圧チェック機能を追加した。 回路図
サブバッテリー充電器写真


●[3号]小型軽量化/長寿命化/安全性向上のために鉛蓄電池からリン酸鉄リチウムイオン電池に変更した。 回路図
サブバッテリー充電器写真
 充電回路も一新し、使い勝手の評価をしようと車中泊旅に合わせてバラックで組み立てた。黒い物はリン酸鉄電池。
サブバッテリー充電器写真


●[4号]車中泊旅で3号を使用し使い勝手や動作が良好だったのでPPケースに組み込んだ。電池は車内床上へ別置き。
サブバッテリー充電器写真




 仏壇燈明スイッチ[1号~2号]
●[1号]手をかざして燈明をon/offするもの。測距センサーで手を検出しPICでSSRを制御。  回路図
仏壇燈明スイッチ写真


●[2号]般若心経を唱える際のリズム音を出す機能を追加。リズム音のテンポは大本山永平寺の読経と合わせた。  回路図
仏壇燈明スイッチ写真




 歯磨きタイマー[1号~4号]
●[1号]電動歯ブラシが3分間動作するので歯を18ブロックに分けて各10秒磨く。10秒毎ピッ、3分でピー終了。 回路図
歯磨きタイマー写真


●[2号]家族の要望で8ブロックモードを追加した。約22秒毎ピッ、3分でピッピッピー終了。  回路図
歯磨きタイマー写真


●[3号]操作性改善。モード切換SWを廃止し各モード専用の押しボタンSWで動作するようにした。  回路図
歯磨きタイマー写真


●[4号]歯磨きと関係ないがステップ運動用タイマー機能を追加した。1分毎ピッ、10分経過でピッピッピー。  回路図
歯磨きタイマー写真




 導通チェッカー
●電子回路の配線チェックするもの。目視点検だけでは不安なのでこういう道具が役に立つ。  回路図
導通チェッカー写真




 手元スピーカー
●テレビの音を手元で聴くためのもの。バーLEDの色で音量過大を知らせるようにした。   回路図pdf
手元スピーカー写真




 ノートパソコン用電源
●車のバッテリーDC12VをノートPC用DC19Vに変換するコンバータを製作。車中泊旅用。
ノートパソコン用電源写真


●バッテリー電圧が11.5Vまで低下すると警告として赤色LEDが点滅する。   回路図pdf
ノートパソコン用電源写真




 バイクにナビ取付
●SONY NV-U3C取付。ハンドルバーにアクリル箱をビス止め、車体から5V作って電源供給した。 回路図pdf
SONY NAVI取付写真




 バイクの電球をLED化
●アイドリング時の電力不足対策のためテール&ストップランプとウインカー系をLED化した。 回路図pdf
バイクの電球をLED化写真


Home > Creation > Electric